Bezpieczniki Ford Mondeo Mk4: Znajdź i wymień sam! Pełny poradnik
31 sierpnia 2025
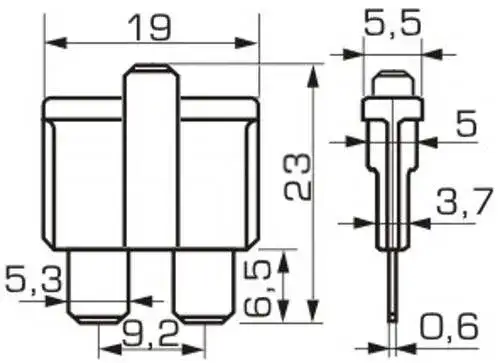
Gdzie są bezpieczniki w Ford Mondeo Mk4? Zlokalizuj wszystkie 3 skrzynki (kabina, silnik, bagażnik), sprawdź i wymień bezpiecznik F36. Odkryj, jak to zrobić sam!
31 sierpnia 2025
Gdzie są bezpieczniki w Ford Mondeo Mk4? Zlokalizuj wszystkie 3 skrzynki (kabina, silnik, bagażnik), sprawdź i wymień bezpiecznik F36. Odkryj, jak to zrobić sam!
Ile kW obsłuży bezpiecznik B16? Poznaj maksymalną moc dla 1- i 3-faz, co oznaczają symbole i jakie urządzenia podłączysz bezpiecznie. Sprawdź, kiedy B16 nie wystarczy!
Bezpiecznik 10A: Ile watów bezpiecznie podłączysz w domu? Oblicz maksymalną moc (2300W), poznaj listę bezpiecznych urządzeń i tych, których unikać. Zadbaj o instalację!
Twój piekarnik Amica nie działa? Dowiedz się, gdzie jest bezpiecznik termiczny, jak zdiagnozować awarię i bezpiecznie go wymienić. Sprawdź nasz poradnik!
Dobierz bezpiecznik główny idealnie do domu i fotowoltaiki. Sprawdź, jak zwiększyć moc przyłączeniową i uniknąć "wybijania" prądu.
Dowiedz się, jakie bezpieczniki do domu wybrać (ile amper, charakterystyka B/C). Poznaj wzory, błędy i kiedy wezwać elektryka. Zapewnij bezpieczeństwo instalacji!
Dowiedz się, dlaczego prawidłowe podłączenie bezpiecznika (eski) zawsze powinno być od góry. Zapewnij bezpieczeństwo instalacji i uniknij błędów. Sprawdź, co mówią eksperci!
Dowiedz się, jaki bezpiecznik do indukcji wybrać! Poradnik eksperta o instalacji 230V/400V, mocy płyty i przewodach. Zadbaj o bezpieczeństwo i gwarancję.
Dowiedz się, jaki bezpiecznik do piekarnika (16A, 3x16A) wybrać dla instalacji 230V/400V. Zapewnij bezpieczeństwo i gwarancję urządzenia. Sprawdź!